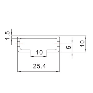
型号 | 芯体长度 | 芯体高度 | 扁管厚度 | 翅片片距 | 翅片高度 | 集流管外径 |
SC-2000 | 2000[mm] | 1058[mm] | 25.4[mm] | 1.1[mm] | 8[mm] | 38[mm] |
78.74[in] | 41.65[in] | 1[in] | 23[FPI] | 0.31[in] | 1.5[in] |
型号 | 扁管高度 | 扁管数量 | 回路 | 内部容积 | 入口内径直径 | 出口内径 |
SC-2000 | 2[mm] | 103 | 69/34 | ≈10.3[L] | 25.4[mm] | 22.2[mm] |
0.08[in] | ≈628.6[in3] | 1[in] | 7/8[in] |
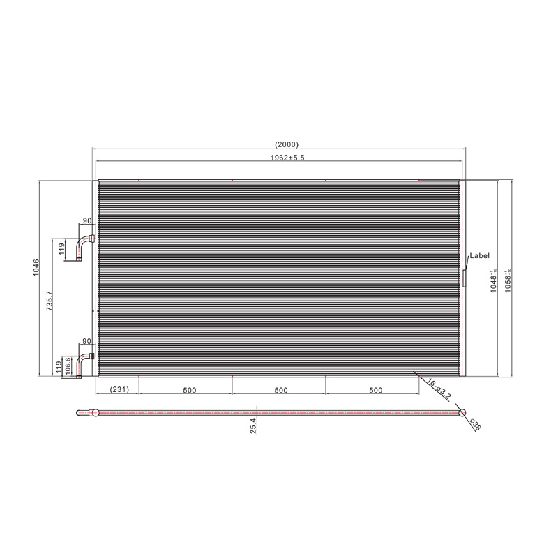
边板安装
铝制微通道换热器在高温下存在热胀冷缩现象,支架安装等必须允许一定的公差范围。


性能参数
风速 | 换热性能 [KW/Btu/h×1000] | ||||||||
[m/s] | [ft/min] | R410A | R134a | ||||||
△ =10K △ =18°F |
△ =15K △ =27°F |
△ =2K △ =36°F |
△ =25K △ =45°F |
△ =10K △ =18°F |
△ =15K △ =27°F |
△ =2K △ =36°F |
△ =25K △ =45°F |
||
1 | 197 | 22.7/77.47 | 34.95/119.28 | 46.97/160.31 | 59.06/201.57 | 21.93/74.85 | 33.25/113.48 | 44.75/152.73 | 56.3/192.15 |
1.5 | 295 | 32.7/111.6 | 50.21/171.37 | 67.52/230.44 | 85/290.1 | 30.91/105.49 | 47.03/160.51 | 64.07/218.67 | 80.39/274.37 |
2 | 394 | 41.98/143.28 | 64.14/218.91 | 86.37/294.78 | 108.94/371.81 | 38.82/132.49 | 60.4/206.14 | 81.29/277.44 | 101.57/346.66 |
2.5 | 492 | 50.4/172.01 | 77.03/262.9 | 103.81/354.3 | 131.04/447.24 | 45.91/156.69 | 71.91/245.43 | 96.11/328.02 | 120.76/412.15 |
3 | 591 | 58.23/198.74 | 88.87/303.31 | 120.06/409.76 | 151.56/517.27 | 52.31/178.53 | 82.41/281.26 | 109.83/374.85 | 138.18/471.6 |
风速 | 换热性能 [KW/Btu/h×1000] | ||||||||
[m/s] | [ft/min] | R404A | R407C | ||||||
△ =10K △ =18°F |
△ =15K △ =27°F |
△ =2K △ =36°F |
△ =25K △ =45°F |
△ =10K △ =18°F |
△ =15K △ =27°F |
△ =2K △ =36°F |
△ =25K △ =45°F |
||
1 | 197 | 22.53/76.89 | 35.14/119.93 | 47.15/160.92 | 59.26/202.25 | 15.26/52.08 | 28.07/95.8 | 40.58/138.5 | 52.71/179.9 |
1.5 | 295 | 32.86/112.15 | 50.19/171.3 | 67.5/230.38 | 85/290.1 | 21.34/72.83 | 39.8/135.84 | 58.2/198.63 | 75.49/257.65 |
2 | 394 | 41.77/142.56 | 63.85/217.92 | 85.96/293.38 | 108.35/369.8 | 26.63/90.89 | 51.57/176.01 | 74.25/253.41 | 96.26/328.53 |
2.5 | 492 | 49.99/170.61 | 76.38/260.68 | 102.87/351.09 | 129.7/442.66 | 31.32/106.89 | 61.75/210.75 | 88.6/302.39 | 115.34/393.65 |
3 | 591 | 57.26/195.43 | 87.9/300 | 118.38/404.03 | 149.25/509.39 | 35.37/120.72 | 71.13/242.76 | 102/348.12 | 132.76/453.11 |
空气侧压降数据
风速 | 压降 | 风量 | |||
[m/s] | [ft/min] | [Pa] |
[inch H2O] | [m3/h] |
[cfm] |
1 | 197 | 18.7 |
0.08 | 7330 |
4311.8 |
1.5 | 295 | 29.7 |
0.12 | 10995 |
6467.5 |
2 | 394 | 46 |
0.18 | 14660 |
8623.5 |
2.5 | 492 | 59.7 |
0.24 | 18330 |
10782.4 |
3 | 591 | 74 |
0.3 | 21995 |
12938.2 |
